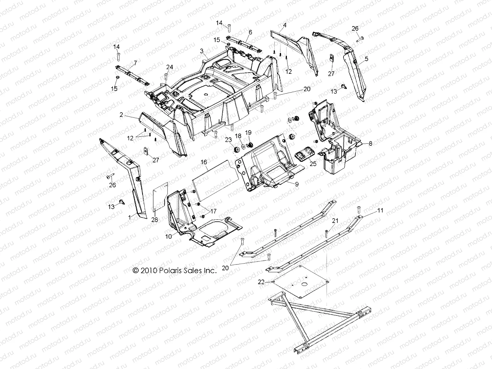
BODY | BODY, REAR RACK and FENDERS - R12VE76AB/AD/AE/AJ/AO (49RGRRACKMTG11RZRS)

BODY | BODY, REAR RACK and FENDERS - R12VE76AB/AD/AE/AJ/AO (49RGRRACKMTG11RZRS)
1
5437662-070
FLAIR-REAR FENDER RH LT BLK
2
2203867
KIT-REAR FENDER I RED RZR
2
5437474-589
REAR FENDER-PAINTED O.MAD RH
2
5437393-070
REAR FENDER RH BLK
2
5437474-070
REAR FENDER-PAINTED RH BLACK
2
5437474-354
REAR FENDER-PNTD V.SILVER RH
3
2634104-070
ASM-RACK RR BLK
4
5437472-354
REAR FENDER-PNTD V.SILVER LH
4
2203867
KIT-REAR FENDER I RED RZR
4
5437472-070
REAR FENDER-PAINTED LH BLACK
4
5437472-589
REAR FENDER-PAINTED O.MAD LH
4
5437392-070
REAR FENDER LH BLK
5
5437661-070
FLAIR-REAR FENDER LH LT BLK
6
5436849-070
BRKT-RACK TIE DOWN LH BLK
7
5436850-070
BRKT-RACK TIE DOWN RH BLK
8
5438336-070
PANEL-DIVIDER REAR LH BLK
9
5438335-070
PANEL-DIVIDER REAR SRVC BLK
10
5438957-070
PANEL-DIVIDER REAR RH BLK
11
1015565-329
WELD-RACK SUPPORT RR E-COAT
12
7517561
Vis
13
7661855
RIVET-TUFLOK .315-.325X.787 (5
14
7517230
Vis
15
7542153
NUT NYLOK FLANGED
16
5813658
FOAM-SOUND ATTN CUT
17
7512084
Vis
18
7555919
Rondelle
19
7081500
LATCH-1/4 TURN
20
7517685
Vis
21
7518382
BOLT-5/16-18X2.25 FLG TAP/R-M
21
5256351
PLATE-SHIELD BOX
22
5256351
PLATE-SHIELD BOX
23
5413428
GROMMET-LATCH
24
7517686
Vis
25
5813553
COVER-SEATBELT BUCKLE REAR
26
7518375
SCR-1/4-20X1.50 TR/TX-M
27
7670145
NUT-1/4-20 U-TYPE(1.56-.190)(1
28
5813380
FOIL-RH PANEL

Узлы для