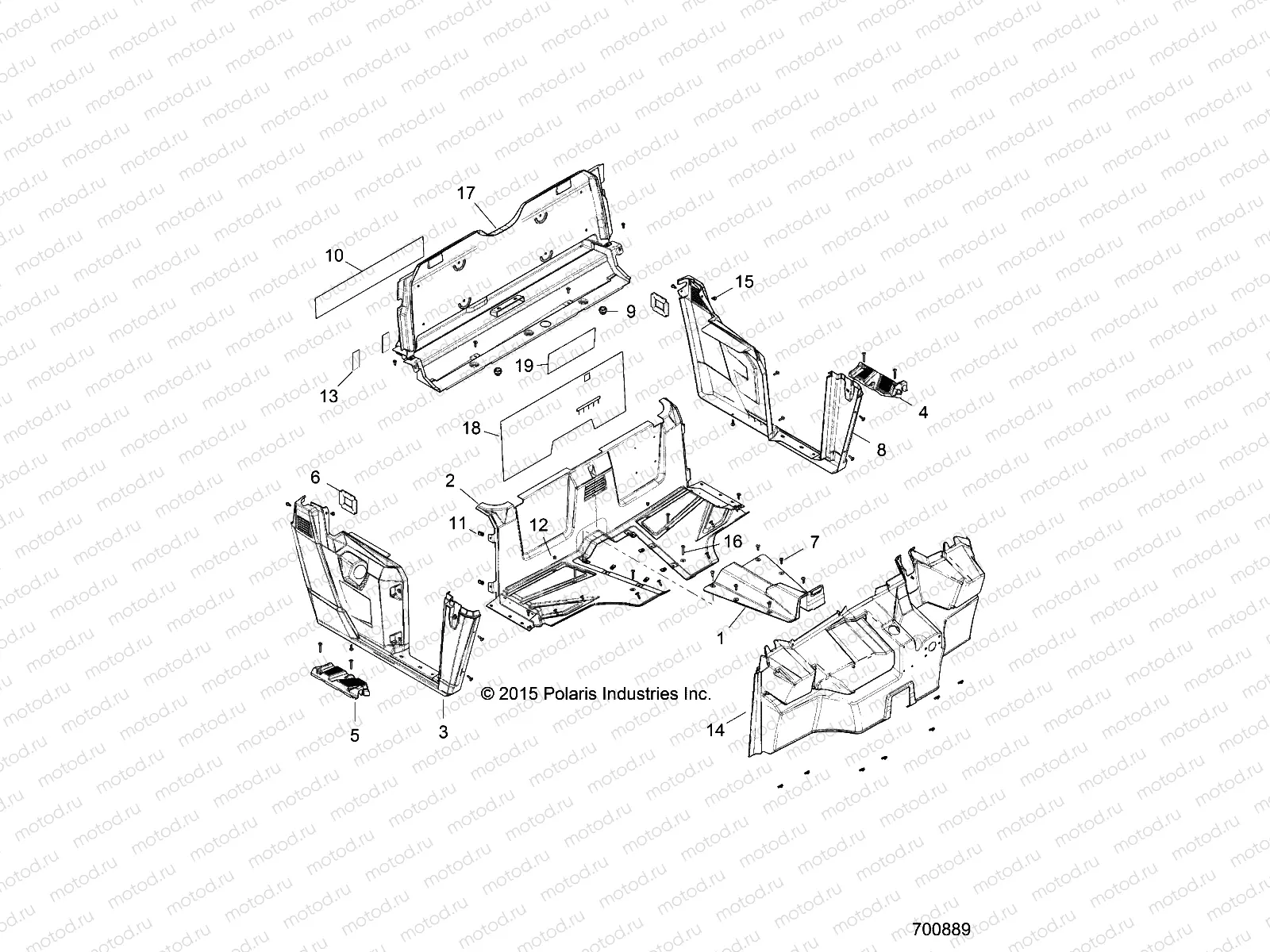
BODY | BODY, FLOOR and FENDERS - R17RMA57N1 (700889)

BODY | BODY, FLOOR and FENDERS - R17RMA57N1 (700889)
1
5457841-070
COVER-DRIVE SHAFT FLOOR
2
5452438-070P
FLOOR-REAR. BLK
3
5451012-070
FENDER-REAR W/ROCKER RH BLK
4
5451130-070
FLOOR-LH BLK
5
5451131-070
FLOOR-RH BLK
6
5814175
SEAL-FOAM INTAKE
7
7519650
SCR-TXTH-M6X1.0X25 RIE
8
5451011-070
FENDER-REAR W/ROCKER LH BLK
9
5439179
Damper
11
7081305
CLIP-U SPEED NUT
12
7080398
PLUG HOLE
13
5814316
FOIL-HEAT SHIELD CORNERS
14
5451010-070
FLOOR-FRONT BLK
15
7661855
RIVET-TUFLOK .315-.325X.787 (5
16
7519722
SCR-TXTH-M6X1.0X45 RIE
17
5453712-070
PANEL-CLOSEOFF,RR,LWR,RTR,BLK [FROM 6/1/16]
18
5814297
FOIL-FLOOR BACK
19
5814413
FOIL-HEAT SHIELD

Узлы для