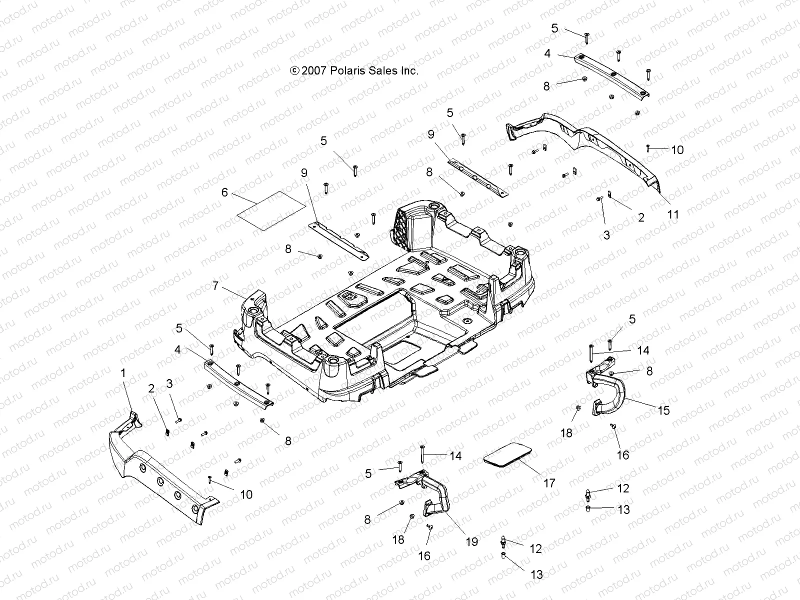
BODY | BODY, BOX, REAR - A08TN76AA/AQ (49ATVBOXRR08SPX25)

BODY | BODY, BOX, REAR - A08TN76AA/AQ (49ATVBOXRR08SPX25)
1
5436262
FENDER-REAR BOX RH
2
7670057
NUT SPEED
3
7512232
Vis
4
5434803-070
TIEDOWN-SIDE BLK
5
7518235
SCR-5/16-18X1.75 TX-M
6
5813012
FOIL-BOX
7
5437654-070
BOX-REAR BASE BLK
8
7542343
NUT FLANGE
9
5248471-418
CHANNEL-FRONT FLATBKWRKL
10
7518238
SCR-10X5/8-HI/LO PN-T25 TRX-M
11
5436261
FENDER-REAR BOX LH
12
5910306
PIN-SEAT LATCH
13
7542143
INSERT
14
7517983
SCR-5/16-18X3.00 TR/TX-M
15
5436491-070
HANDLE-PASSENGER LH BLK
16
7517685
Vis
17
5413002
PLUG-DRAIN BOX
18
7542153
NUT NYLOK FLANGED
19
5436492-070
HANDLE-PASSENGER RH BLK

Узлы для