ADMISSION 2

ADMISSION 2
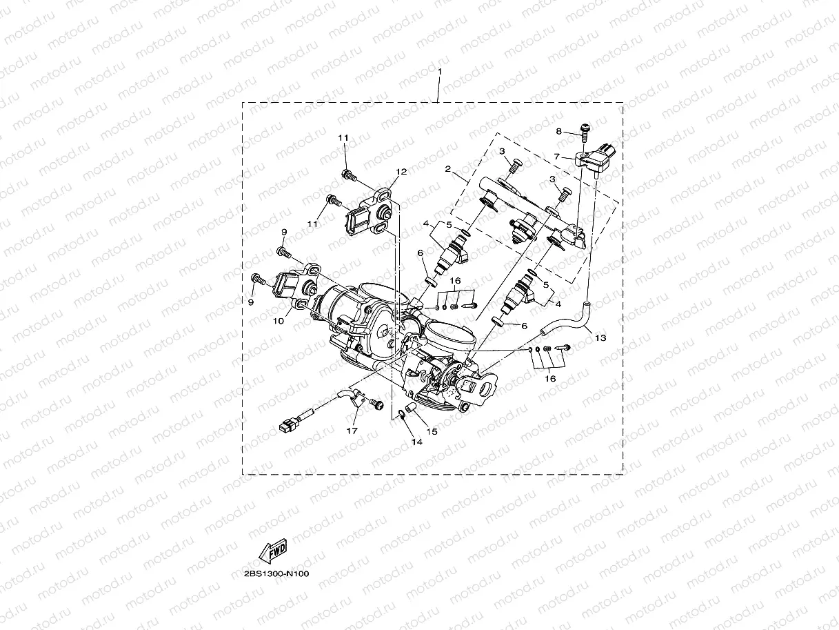
1
2BS-13750-00
Заслонки впуска в сборе
169 701 ₽/шт
2
23P-1393A-00
Трубка подачи топлива в сборе
21 639 ₽/шт
3
98517-06012
Винт
159 ₽/шт
4
23P-13761-00
Инжектор
12 267 ₽/шт
5
5PS-14147-00
Кольцо уплотнительное
1 049 ₽/шт
6
8FP-13556-00
Уплотнение инжектора
445 ₽/шт
7
1WS-82380-00
Датчик давления
11 967 ₽/шт
8
2C0-14216-00
Винт
302 ₽/шт
9
8CC-14216-10
Винт
588 ₽/шт
10
13S-85885-01
Throttle Sensor As
13 395 ₽/шт
11
5FL-14216-00
Винт
397 ₽/шт
12
1MC-85884-01
11 703 ₽/шт
13
63P-13532-00
Трубка вакуумная
620 ₽/шт
14
8A7-14139-00
Хомут
350 ₽/шт
15
895-14169-00
Колпачок
397 ₽/шт
16
2C0-14105-00
Винт регулировочный
1 987 ₽/шт
17
2BS-81860-02
WITCH ASSY

Узлы для