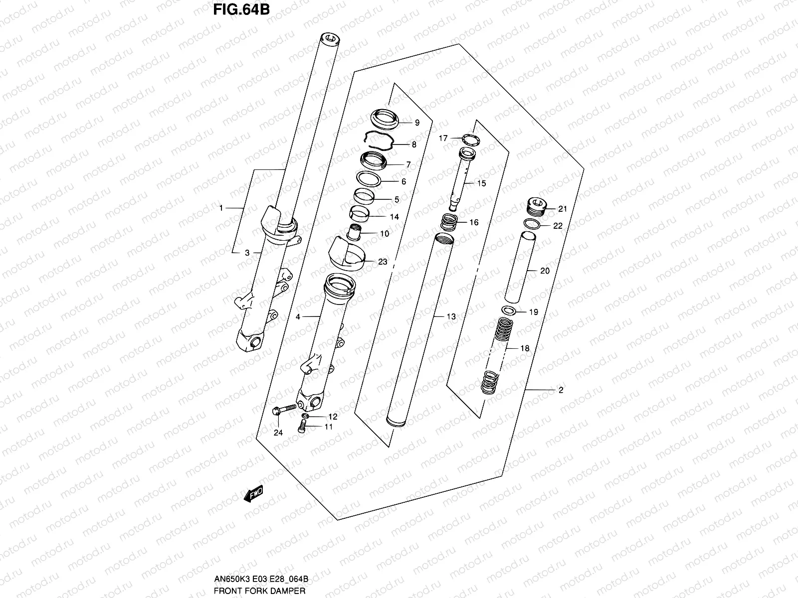
64B - FRONT FORK DAMPER (MODEL K5)

64B - FRONT FORK DAMPER (MODEL K5)
1
51103-10G50
Перо вилки в сборе, правое
74 052 ₽/шт
2
51104-10G50
Перо вилки в сборе, левое
61 710 ₽/шт
3
51130-10G10
TUBE,OUTER,R
38 709 ₽/шт
4
51140-10G10
TUBE,OUTER,L
38 709 ₽/шт
5
51167-26E10
Металическая вставка
765 ₽/шт
6
51158-05A00
Шайба
299 ₽/шт
7
51153-10G50
Сальник
891 ₽/шт
8
51156-49440
RING,OIL SEAL STOPPER
204 ₽/шт
9
51173-14F00
Уплотнение
921 ₽/шт
10
51195-33D10
PIECE,OIL LOCK
1 197 ₽/шт
11
51147-16510
BOLT,FORK CYLINDER(10X25)
238 ₽/шт
12
51148-41310
GASKET
170 ₽/шт
13
51110-10G00
TUBE,INNER
26 393 ₽/шт
14
51121-33D10
Направляющая втулка
799 ₽/шт
15
51146-10G10
Цилиндр
5 865 ₽/шт
16
51177-10G10
Пружина
864 ₽/шт
17
51196-31F00
Кольцо поршневое
561 ₽/шт
18
51171-10G10
Пружина
4 888 ₽/шт
19
51356-10D03
Шайба
387 ₽/шт
20
51176-10G10
Кольцо/шайба
751 ₽/шт
21
51351-10G10
CAP,FORK
3 206 ₽/шт
22
09280-32001
O RING(D:3.5,ID:31.7)
275 ₽/шт
23
51201-31F00
PROTECTOR
981 ₽/шт
24
51166-10G10
BOLT,AXLE STOPPER
293 ₽/шт

Узлы для