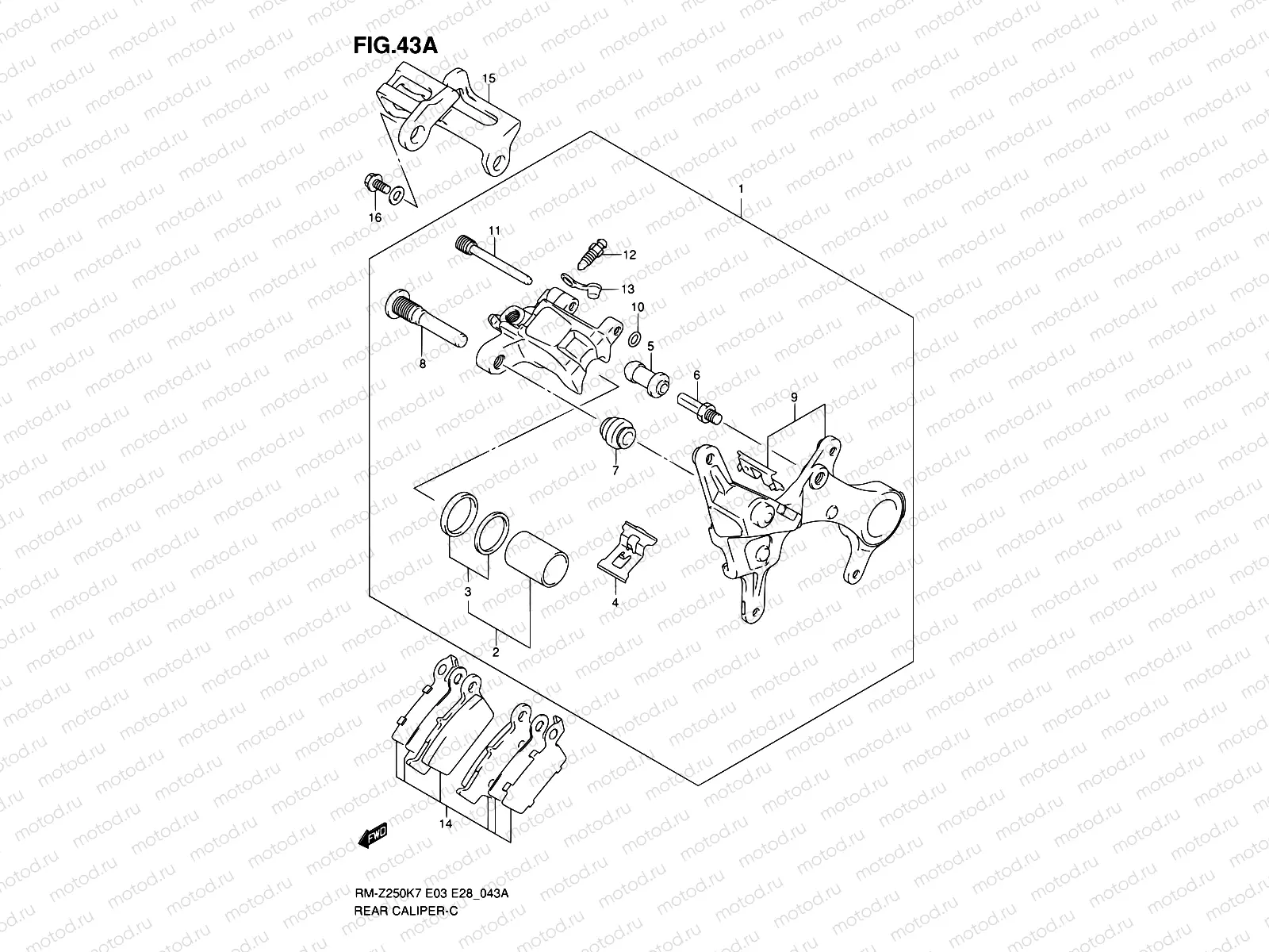
43A - REAR CALIPER (MODEL K8/K9)

43A - REAR CALIPER (MODEL K8/K9)
1
69100-35G20-999
CALIPER ASSY,RR
30 107 ₽/шт
2
69100-14820
PISTON SET
3 206 ₽/шт
3
69100-13810
SEAL SET,PISTON
816 ₽/шт
4
69315-35G00
Пружина
614 ₽/шт
5
59386-13A00
Пыльник
388 ₽/шт
6
59382-27C30
Болт
307 ₽/шт
7
59303-14500
Пыльник
307 ₽/шт
8
59305-36E00
Стопор
759 ₽/шт
9
69350-35G01
BRACKET
11 456 ₽/шт
10
59145-37F00
Кольцо
289 ₽/шт
11
69345-37F00
PIN,HANGER
714 ₽/шт
12
59121-01A00
BLEEDER
1 226 ₽/шт
13
59122-01A00
CAP,BLEEDER
187 ₽/шт
14
69100-35810
КОЛОДКИ ТОРМОЗНЫЕ (МОТО)
8 993 ₽/шт
15
69725-37F01
КРОНШТЕЙН.
1 870 ₽/шт
16
09116-06197
BOLT(6X12)
1 520 ₽/шт

Узлы для