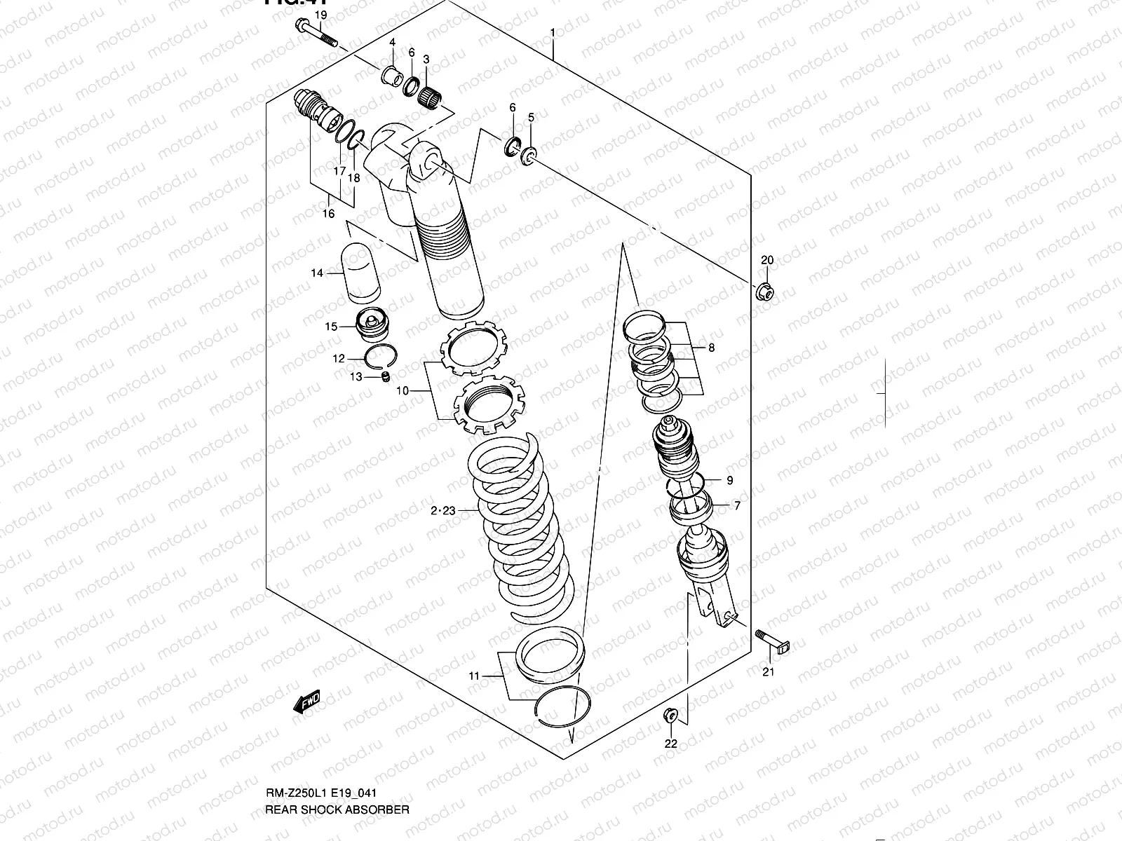
41 - REAR SHOCK ABSORBER

41 - REAR SHOCK ABSORBER
1
62100-49H40-YKS
Absorber assy,r
2
62211-35G30
Пружина
30 694 ₽/шт
3
09263-16033
BEARING(16X22X12)
1 034 ₽/шт
4
62684-36F00
SPACER,UPPER BRG,R
1 066 ₽/шт
5
62685-36F00
SPACER,UPPER BRG,L
775 ₽/шт
6
09284-16005
SEAL,OIL(16X22X2.5)
436 ₽/шт
7
62120-49H30
Rod,piston
8
62150-28H60
O RING SET
6 764 ₽/шт
9
62279-36E80
Кольцо
442 ₽/шт
10
62190-36F00
Комплект регулятора ручки
6 530 ₽/шт
11
62220-36F00
SPRING SEAT SET
2 210 ₽/шт
12
62278-36E00
Кольцо стопорное
493 ₽/шт
13
52194-46686
ЗАГЛУШКА ДЕКОРАТ
422 ₽/шт
14
62273-36E00
BLADDER
3 715 ₽/шт
15
62275-28H30
CAP,CHAMBER
3 578 ₽/шт
16
62130-28H60
BOLT,PLUG
9 775 ₽/шт
17
62131-28E00
O RING
289 ₽/шт
18
51174-36EB0
O RING
293 ₽/шт
19
62311-28H00
BOLT,RR SHOCK ABSORBER UPR
964 ₽/шт
20
09159-10122
Гайка
3 870 ₽/шт
21
62221-37F30
Болт нижней опоры
399 ₽/шт
22
09159-10067
Гайка, нижняя
3 710 ₽/шт
23
62211-37FK0
Пружина
30 694 ₽/шт
23
62211-37FL0
Пружина
30 694 ₽/шт
23
62211-35G40
Пружина
30 694 ₽/шт

Узлы для