40 - REAR SHOCK ABSORBER

40 - REAR SHOCK ABSORBER
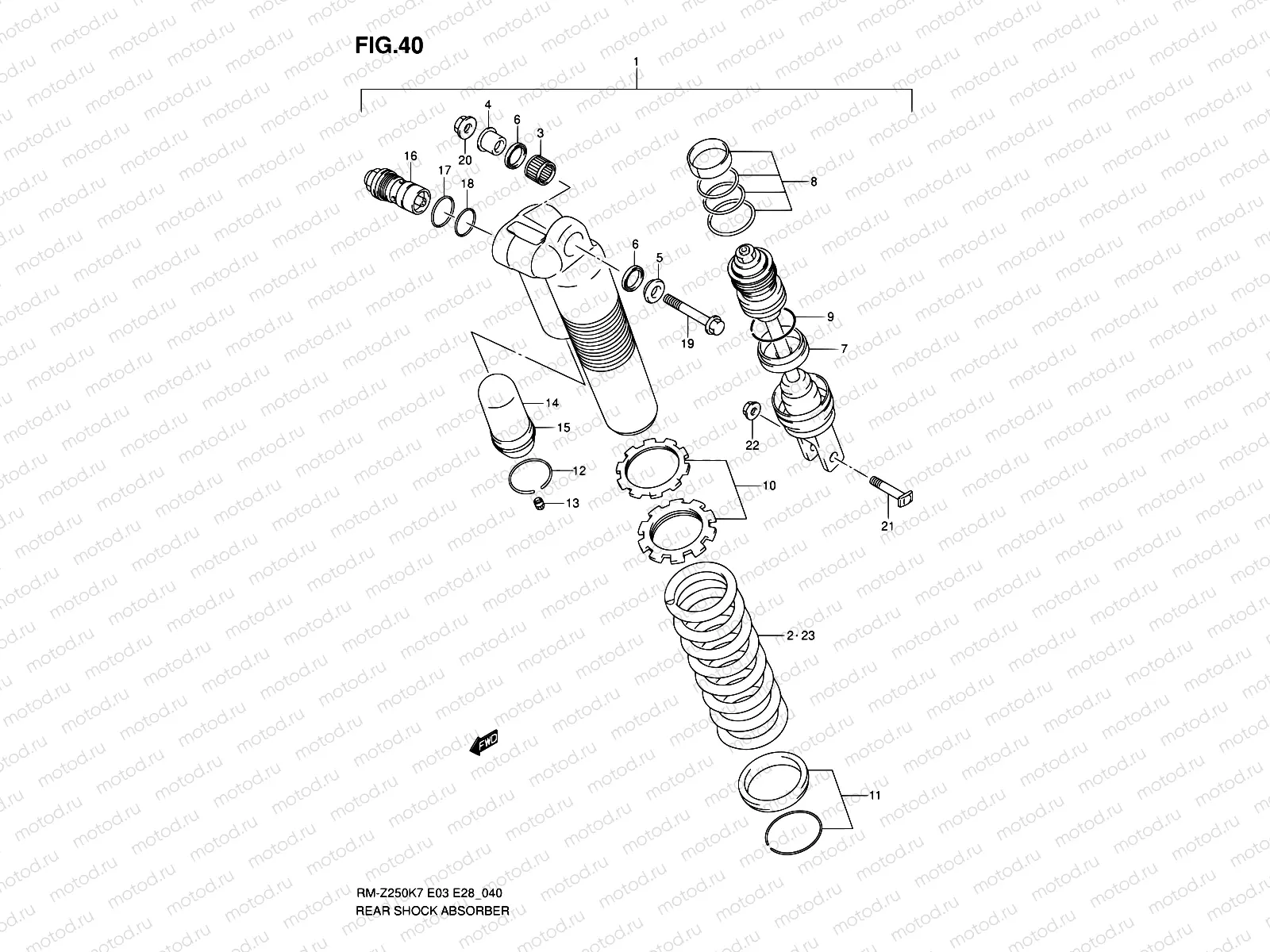
1
62100-10H20-YKS
Absorber assy, rr shock (red)
1
62100-10H10-YKS
Absorber assy,r
1
62100-10H50-YKS
Absorber assy, rr shock (red)
1
62100-10H40-YKS
Absorber assy,r
2
62211-10H00
Пружина
36 950 ₽/шт
3
09263-16033
BEARING(16X22X12)
1 034 ₽/шт
4
62684-36F00
SPACER,UPPER BRG,R
1 066 ₽/шт
5
62685-36F00
SPACER,UPPER BRG,L
775 ₽/шт
6
09284-16005
SEAL,OIL(16X22X2.5)
436 ₽/шт
7
62120-10H00
Rod, piston
8
62150-36EB0
O RING SET
4 118 ₽/шт
9
62279-36E80
Кольцо
442 ₽/шт
10
62190-36F00
Комплект регулятора ручки
6 530 ₽/шт
11
62220-36F00
SPRING SEAT SET
2 210 ₽/шт
12
62278-36E00
Кольцо стопорное
493 ₽/шт
13
52194-46686
ЗАГЛУШКА ДЕКОРАТ
422 ₽/шт
14
62273-36F00
BLADDER
4 457 ₽/шт
15
62275-10H00
CAP,CHAMBER
3 245 ₽/шт
16
62130-10H00
BOLT
12 825 ₽/шт
17
62131-28E00
O RING
289 ₽/шт
18
51174-43D00
O RING,CTR BOLT UPR
340 ₽/шт
19
09103-10329
BOLT(10X60)
3 640 ₽/шт
20
09159-10115
Гайка
289 ₽/шт
21
62221-37F30
Болт нижней опоры
399 ₽/шт
22
09159-10067
Гайка, нижняя
3 710 ₽/шт
23
62211-10H20
Пружина
36 950 ₽/шт
23
62211-10H10
Пружина
27 761 ₽/шт
23
62211-37FM0
Пружина
36 950 ₽/шт
23
62211-35G30
Пружина
30 694 ₽/шт

Узлы для