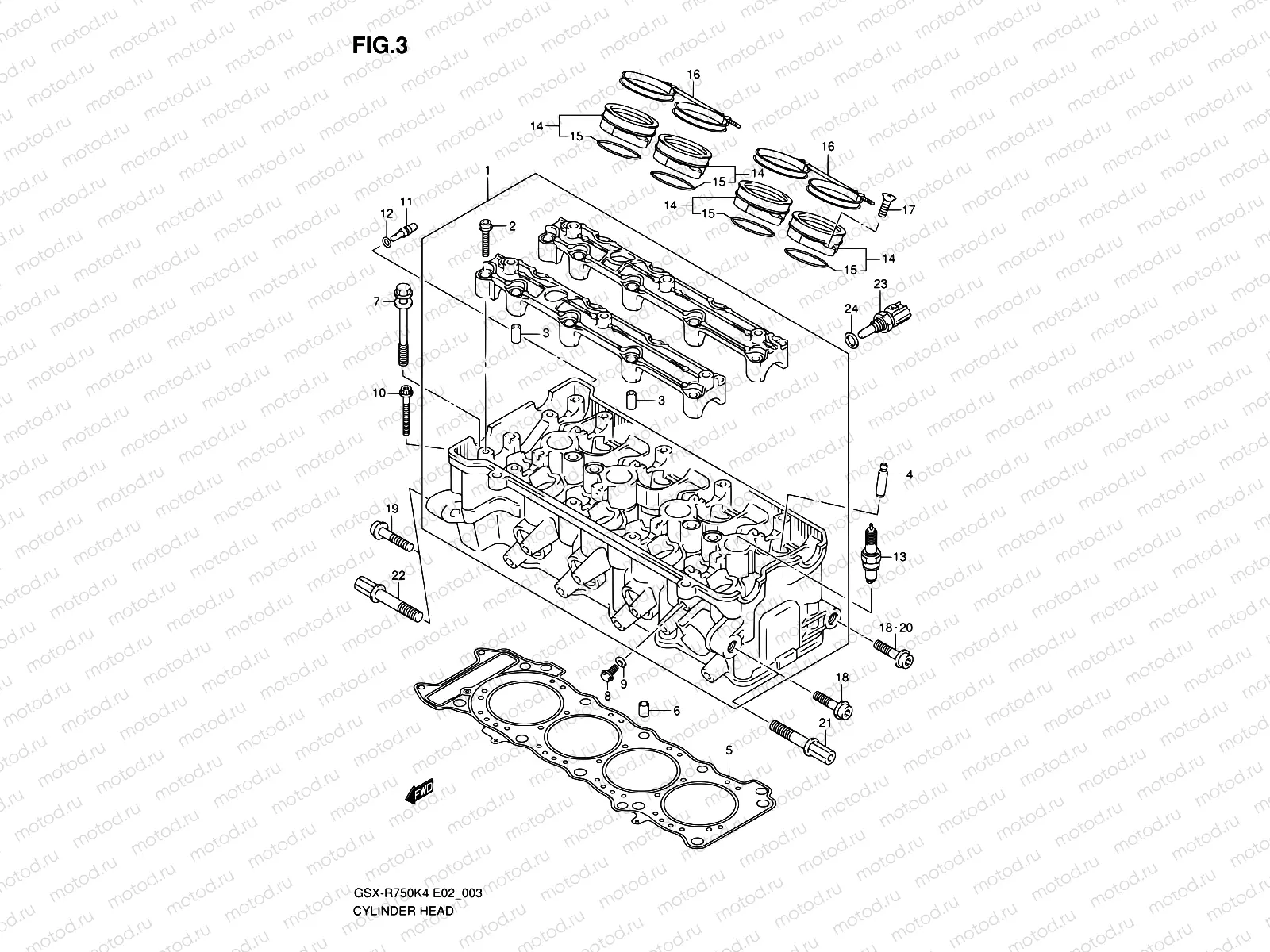
3 - CYLINDER HEAD

3 - CYLINDER HEAD
1
11100-30G00
Cylinder head
2
09103-06266
BOLT(6X40)
1 330 ₽/шт
3
09206-08007
PIN(6.2X8X16)
1 520 ₽/шт
4
11115-29G70
Направляющая клапана (OS:0.3)
1 785 ₽/шт
5
11141-35F00
Прокладка головки цилиндров
4 038 ₽/шт
6
04211-11169
PIN
113 ₽/шт
7
11117-30G00
BOLT,CYLINDER HEAD L105
567 ₽/шт
8
09103-06222
BOLT(6X12)
119 ₽/шт
9
09168-06023
ПРОКЛАДКА
162 ₽/шт
10
07120-0650B
Болт выпрямителя
2 030 ₽/шт
11
09493-80005
JET(8)
1 131 ₽/шт
12
09280-04004
O RING(D:1.2,ID:4.0)
194 ₽/шт
14
13101-30G01
Pipe d’admission
15
09280-46007
O Ring(D:2.4,id:47X42)
291 ₽/шт
16
13170-30G01
Collier (intake pipe)
17
02122-0616B
Болт
85 ₽/шт
18
09106-10069
BOLT(10X45)
2 620 ₽/шт
19
09106-10070
БОЛТ
306 ₽/шт
23
13650-10G00
Датчик температуры воды
2 890 ₽/шт
24
09168-12017
ПРОКЛАДКА РЕДУКТОРА
101 ₽/шт

Узлы для