22 - THROTTLE BODY HOSE/JOINT (GSX-R1000ZL3 E24)

22 - THROTTLE BODY HOSE/JOINT (GSX-R1000ZL3 E24)
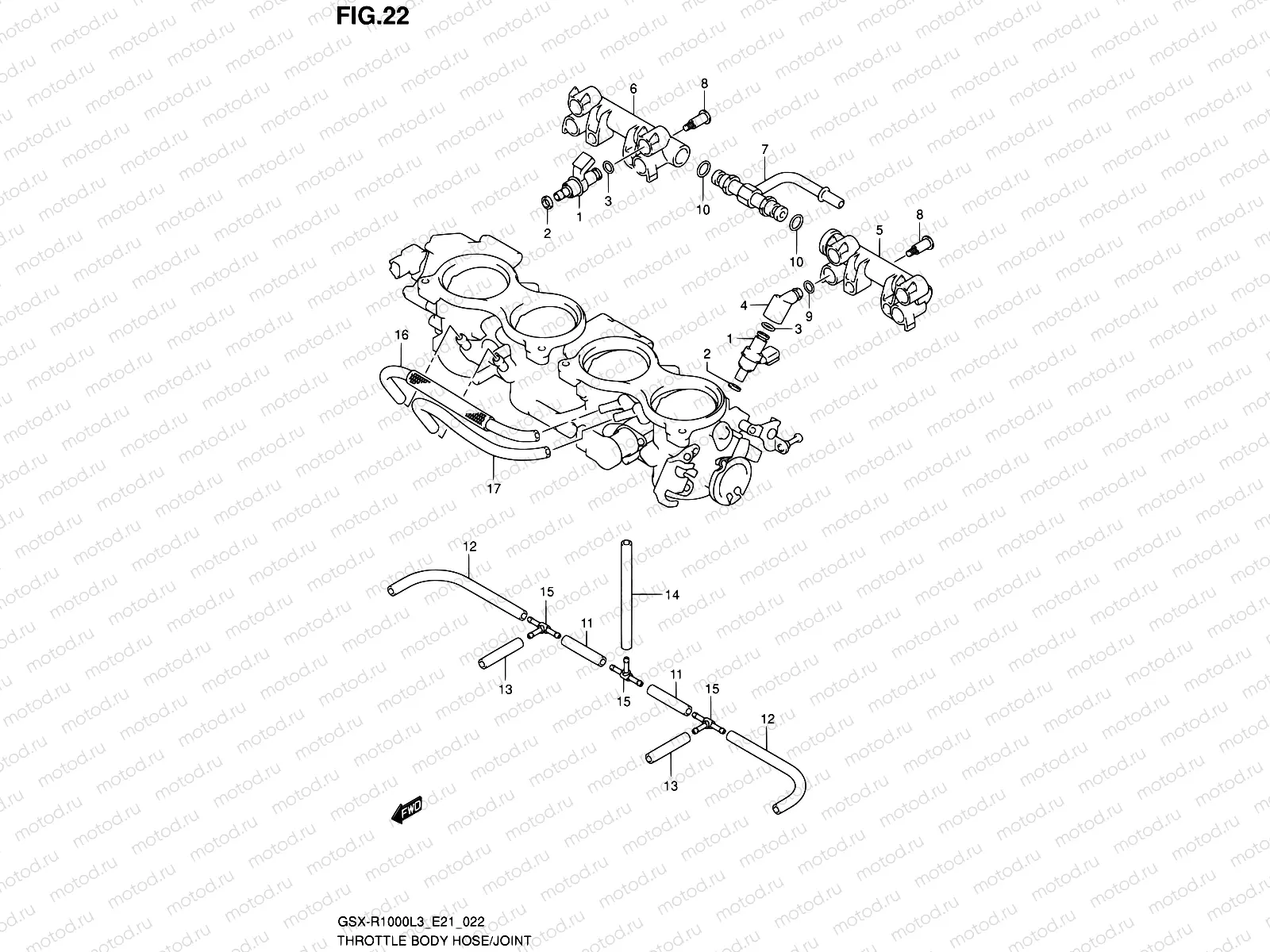
1
15710-21H00
ФОРСУНКА ТОПЛИВНАЯ
22 874 ₽/шт
2
15722-21H00
RING,SEAL
510 ₽/шт
3
15721-21H00
КОЛЬЦО УПЛОТНИТЕЛЬНОЕ
306 ₽/шт
4
13473-21H00
PIPE,FUEL
997 ₽/шт
5
13474-47H00
PIPE,FUEL
6 921 ₽/шт
6
13474-47H10
PIPE,FUEL
6 921 ₽/шт
7
13473-15H00
Соединение
731 ₽/шт
8
13601-35F00
Болт
501 ₽/шт
9
15721-24F00
O-RING
468 ₽/шт
10
15721-10G00
O RING
561 ₽/шт
11
13684-47H20
OSE
512 ₽/шт
12
13685-47H20
OSE
571 ₽/шт
13
13686-47H21
ose
512 ₽/шт
14
13687-47H20
OSE
571 ₽/шт
15
13471-24F30
Направляющая трубки
903 ₽/шт
16
13680-21H11
Tube
1 458 ₽/шт
17
13698-21H01
Tube

Узлы для