22 - FUEL TANK

22 - FUEL TANK
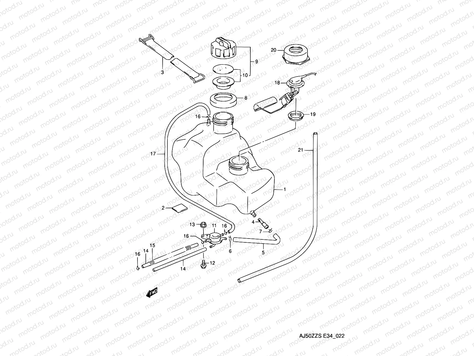
1
44111-25E00
Tank, fuel
2
63191-25C00
USHION
204 ₽/шт
3
44292-25E00
Band, fuel tank
4
44322-27001
FILTER,FUEL
336 ₽/шт
5
44199-25E00
Hose, fuel tank inlet
6
09401-10402
CLIP
162 ₽/шт
7
09401-11403
CLIP
146 ₽/шт
8
44261-C25E0-0
Rubber,inlet
9
44200-33G20
CAP ASSY,FUEL TANK
1 916 ₽/шт
10
44660-36811
GASKET SET,FUEL TANK
817 ₽/шт
11
44300-11B01
COCK ASSY,FUEL
5 355 ₽/шт
12
01550-0616B
БОЛТ
81 ₽/шт
13
08319-31067
Гайка
153 ₽/шт
14
09352-50005-600
ШЛАНГ
436 ₽/шт
15
09440-10019
ПРУЖИНА
2 310 ₽/шт
16
09401-08401
Хомут
113 ₽/шт
17
44236-25E00
Hose, air vent
18
34810-25E00
GAUGE ASSY,FUEL LEVEL SENDER
6 256 ₽/шт
19
34825-29C01
Packing
20
44587-29C00
AP,FUEL TANK LEVEL GAUGE
1 357 ₽/шт
21
09352-C7011-3J920
Hose (6.5x10.5x

Узлы для