17 - OPTIQUE

17 - OPTIQUE
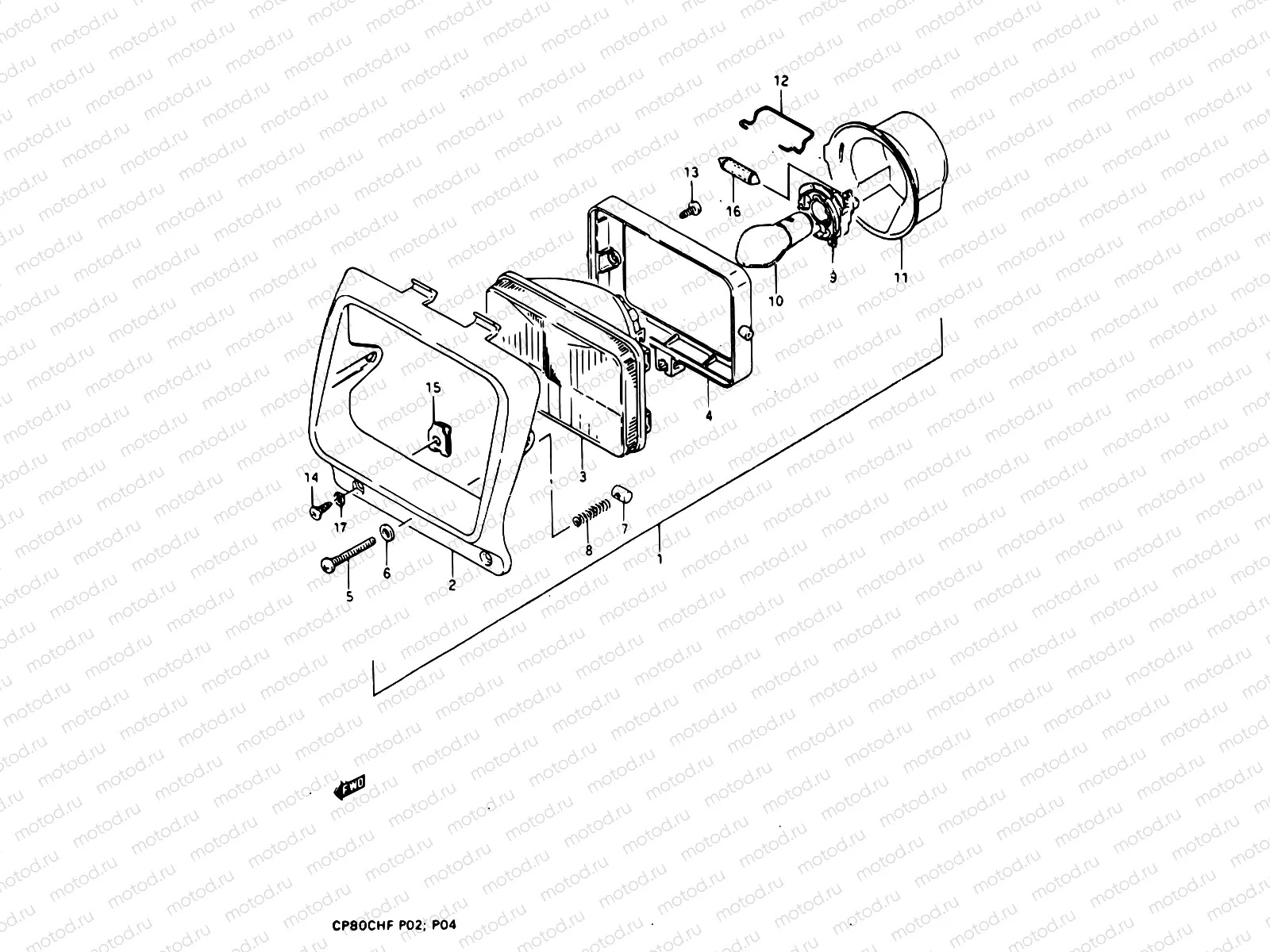
1
35100-03A60-04Y
Optique complet (bleu)
1
35100-03A60-22R
Optique complet (blanc)
1
35100-03A60-00J
Optique complet (rouge)
2
35111-03A51-NE1
Rim
2
35111-03A51-00J
.jante (rouge)
2
35111-03A51-22R
O DE FAROL BRANCO
3
35100-03A60
4
35130-03A50
Rim,headlamp
5
02112-0450A
Болт
900 ₽/шт
6
35157-03A50
NILHA
7
35152-09E00
Nut
8
35154-03A50-E0Z
Spring
9
35171-03A60
.douille
10
09471-12047
.ampoule (12v,36/36w)
11
35172-03A50
.couvercle
12
35173-03A50
MOLA SUPORTE DO CASQUILHO
13
03511-0516B
Болт
82 ₽/шт
14
03241-1516A
ШАЙБА
82 ₽/шт
15
09148-05017
Гайка
1 410 ₽/шт
17
08322-0105B
Шайба
81 ₽/шт

Узлы для