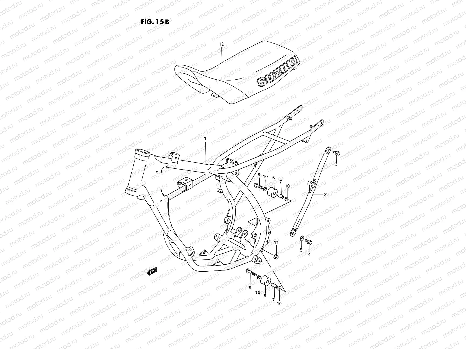
15B - FRAME - SEAT (MODEL M/N)

15B - FRAME - SEAT (MODEL M/N)
1
41101-03820-1AZ
Frame set (yellow)
2
41670-02B30-0RP
.tube, frame side lh (yellow)
3
09100-08274
Болт верхний
1 880 ₽/шт
4
09100-08284
Болт нижней опоры
136 ₽/шт
5
09160-08120
Шайба
1 330 ₽/шт
6
43911-35B00
Ролик
1 267 ₽/шт
7
09180-08156
Кольцо/шайба
272 ₽/шт
8
09103-08083
BOLT(8X41)
179 ₽/шт
9
09103-08339
BOLT(8X55)
194 ₽/шт
10
09181-08167
Шайба
1 170 ₽/шт
11
08319-31087
Гайка
178 ₽/шт
12
45100-03B10-K33
Seat assy

Узлы для