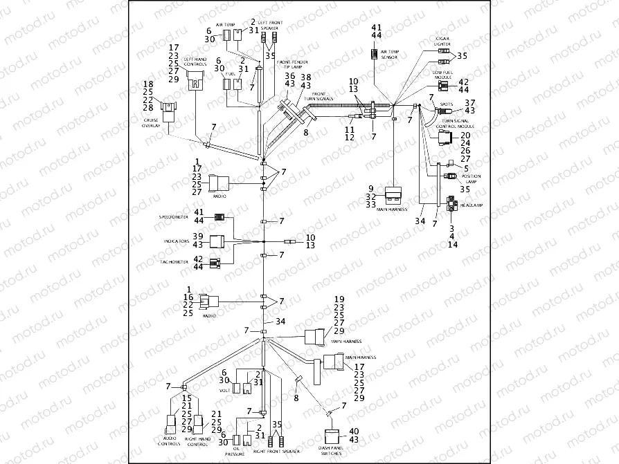
WIRING HARNESS, INTERCONNECT - FLHT (2 OF 2)

WIRING HARNESS, INTERCONNECT - FLHT (2 OF 2)
0
WIRING HARNESS, INTERCONNECT
26
72191-94
STAMPED AND FORMED SOCKET
27
72195-94
SEAL PIN,4-WAY RECEPTACLE
28
ATTACHMENT CLIP (8-way)
29
72199-94
CONNECTOR ANCHOR,T-STUD
30
72200-94A
HOUSING,3-WAY SOCKET
31
72203-96
HOUSING, 2 POSITION
32
72205-94
CONNECTOR, 4 POSITION MALE
33
72208-94
MALE TERMINAL, 12 GA
34
72266-94
DUAL WALL SHRINK TUBE, .300 X
35
72290-94
TERMINAL, .25 OF, INSULATED
36
73102-96BK
TAB HOUSING, 2-POSITION
37
73102-96WE
PIN HOUSING, 2-POSITION, WHITE
38
73106-96BK
TAB HOUSING, 6-POSITION, SINGL
39
73110-96BK
TAB HOUSING, 10-POSITION
40
73112-96BK
TAB HOUSING, 12-POSITION
41
73153-96BK
RECEPTACLE, HOUSING, 3-POSITIO
42
73156-96BK
RECEPTACLE, HSG, 6-POSITION SI
43
73190-96
TAB TERMINAL, 20-16 GA
44
73191-96
RECEPTACLE, CONTACT, 20-16 GA

Узлы для