Radio installing kit

Radio installing kit
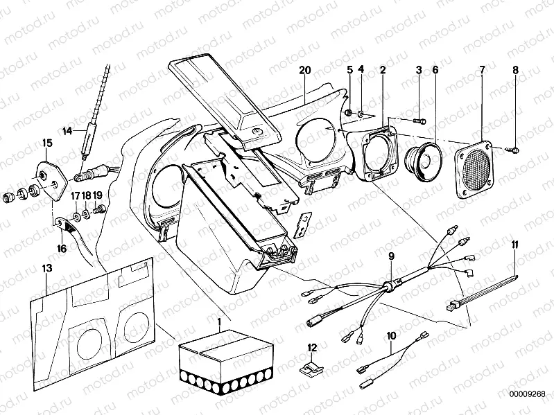
1
65142315570
 Radio installing kit
2
65132303233
Adapter, left
2
65132303234
Adapter, right
2
46631453887
Pin
3
07119913241
Vis
3
07119904498
Zeskantige Schroef
3
07119904498
Zeskantige Schroef
3
46632303359
MOUNTING PLATE LEFT
3
46632303360
MOUNTING PLATE RIGHT
4
07119936439
Rondelle
4
07119904206
Rondelle
4
07119904206
Rondelle
4
65142303231
LEFT COVER/RADIO
5
07119905710
Nut
5
07119905710
Nut
5
65142303941
Bracket
6
65132303232
Loudspeaker
6
65142303236
Shackle
7
65132303309
RING COVER
7
07119913077
Vis
8
07119907812
Vis
8
07119904205
Rondelle
8
07119904205
Rondelle
9
61122303241
Pipe
9
07119932033
WAVE WASHER
10
61122303326
Pipe
10
07119922028
Nut
11
61131377134
Cable tie
11
61131367599
Cable tie
11
46632303396
Collier
12
61131361243
Tubing support
12
07119907657
Vis (Torx)
13
65212303242
DRILLING STENCIL
13
46631453176
Cover right
14
65217728901
Antenna
14
65217728901
Antenna
14
65142303247
LEFT SADDEL BAG/RADIO
15
65212303290
Base plate
15
65142316385
Cap
16
65212303291
Earth strap
18
07119932098
WAVE WASHER
19
07119913218
Vis
20
46632303230
Cover centre f loudspeaker

Узлы для