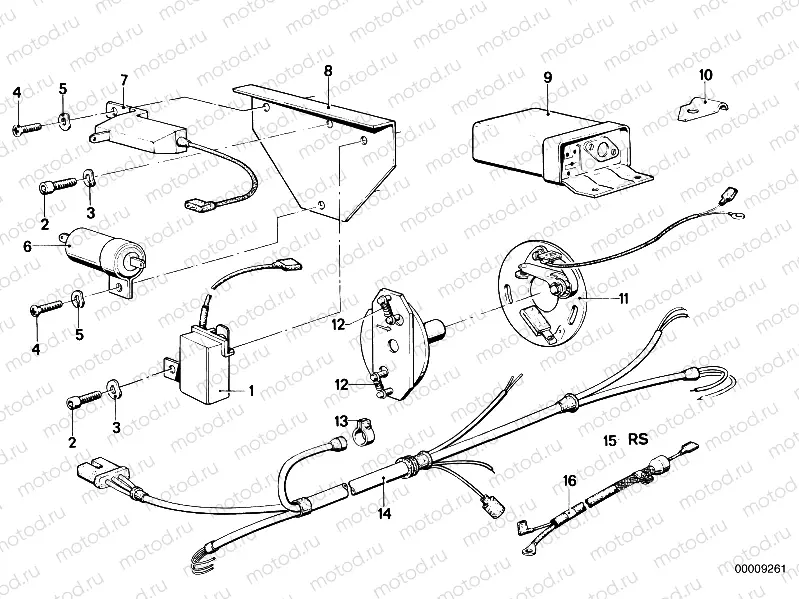
Anti-interference kit

Anti-interference kit
1
65311355502
SUPPRESSION CAPACITOR
2
07129903804
Vis (ISA)
2
07119903804
Vis (Torx)
2
07119903804
Vis (Torx)
3
07119904496
WAVE WASHER
3
07119932099
Rondelle
4
07119907616
Vis (Torx)
5
07119932030
WAVE WASHER
6
12111351564
CONDENSER
7
65311243749
 Suppression filter
8
65311353692
 Carrier
9
12321244409
Régulateur de tension
10
12111355307
 Clamp
11
12111354405
 Contactbreaker plate
13
07129952104
Collier
14
61111243196
 Wiring full suppressing
16
65311243398
 Wiring full suppressing

Узлы для