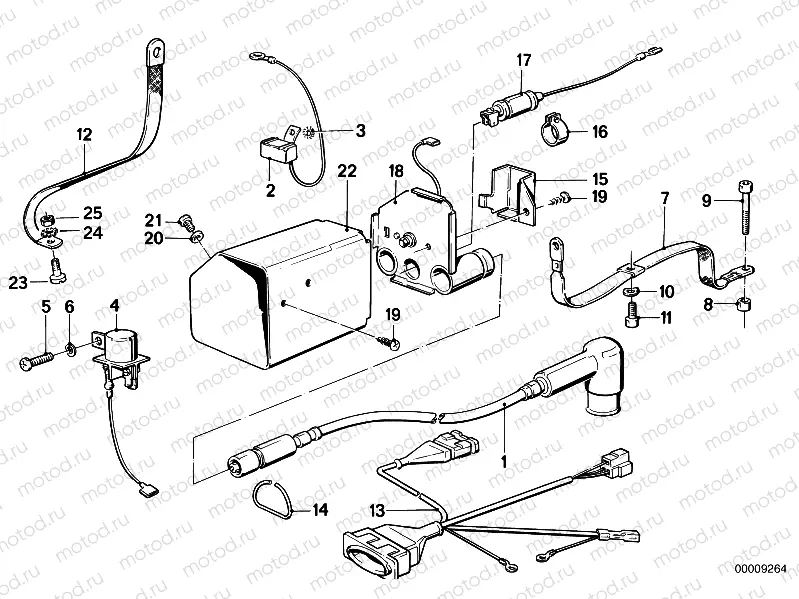
Anti-interference kit

Anti-interference kit
1
12121243748
IGNITION WIRE
3
07119936134
TOOTH WASHER
4
65311355502
SUPPRESSION CAPACITOR
5
07119907646
Vis (Torx)
6
07119904496
WAVE WASHER
6
07119932099
Rondelle
8
61131354359
 Bush
9
07119904509
Vis (Torx)
11
07129905536
Vis (Torx)
11
07129905536
Vis (Torx)
12
65311244459
 Earth strap
13
65311244274
 Wiring full suppressing
14
65311243826
 contact spring
15
65311244327
 Covering cap
16
07129952104
Collier
17
65311353087
SUPPRESSION CAPACITOR
18
65311244339
 Cover
19
07119904170
Vis
19
07119904170
Vis
20
07119904206
Rondelle
20
07119904206
Rondelle
20
07119936439
Rondelle
21
07119906822
Vis (Torx)
22
65311244017
 Sleeve
23
07119903804
Vis (Torx)
23
07129903804
Vis (ISA)
23
07119903804
Vis (Torx)
24
07119936133
TOOTH WASHER
25
07119905543
Nut

Узлы для